Ремонт стиралки своими руками
Демонтаж, как и ремонт модуля, не отличается особой сложностью. Все, что необходимо – это снять переднюю панель и добраться до места установки платы. После чего ее легко можно снять.

Современные модификации стиральных машин устроены так, что клеммы устройства управления невозможно установить в неправильном положении, что сильно облегчает выполнение задачи. Однако при выполнении демонтажных работ нужно обязательно запомнить, что куда подключено, чтобы можно было потом без проблем собрать все обратно.
Однако есть моменты, когда лучше ремонт платы управления доверить профессионалу.
Основными признаками того, что лучше обратится к мастеру являются:
- на электронной плате имеются места измененного цвета в виде подпалин и потемневших дорожек;
- шляпки конденсаторов прорванные (обычно в месте крестообразной насечки) либо явно выпуклые;
- потемнение места монтажа главного процессора;
- на демпфирующих катушках визуализируются очаги выгоревшего покрытия;
- ножки микросхемы обладают неоднородным окрасом.
Бонус. Вопрос читателя по датчику на LP8072C
Рассмотрим схему датчика движения на специализированной микросхеме LP8072C, которую прислал читатель Андрей (см. комментарий к статье от 15.12.2015)
Схема датчика на LP8072C
Ещё раз повторяю его вопрос, и отвечаю:
Да, схема разбита на две платы, как в датчике в начале статьи. 0В – GND, на выв.5 микросхемы, 5В – питание, VDD, на выв.13, и выход на управлением транзистором.
Всё правильно пока. Для интереса, можно базу и эмиттер транзистора закоротить (например, отверткой, при этом выходные 5В упадут на резисторе 5,6кОм, это не страшно). Реле и нагрузка должны выключиться. Это скажет о том, что транзистор и силовые цепи работают.
Между выводами 5 и 11? Это просто силовой выход, вольтметр не должен на него влиять. Получается, вольтметр зашунтировал выход микросхемы, как я выше рекомендовал с закороткой базы-эмиттера отверткой. Такого не должно быть, тут или микросхема неисправна (скорее всего), или вольтметр.
Да, эта цепочка для уменьшения искрения контактов реле, в данном случае роли не играет.
Рекомендую менять микросхему. Но для начала изучите случай, когда проводили измерение, и датчик работал. Дело в том, что входное сопротивление вольтметра при измерении оказывает влияние на схему, и лучше, чтобы оно было больше. Обычно входное сопротивление – порядка сотни килоом, но у дешевых моделей может быть 20…50 кОм (зависит от предела измерения). Поэтому возьмите резистор около 100 кОм, или чуть меньше, и подключите его параллельно выходу микросхемы. Либо между базой и эмиттером транзистора.
Внутри микросхемы должен быть встроен такой резистор, или его ставят между базой и эмиттером транзистора, для повышения надежности работы. Как в схеме датчика освещенности.
А микросхема скорее всего неисправна (частично), или вышла из режима из-за внешней обвязки.
Фото прожектора и датчика движения, Андрей прислал:
Прожектор с датчиком движения на LP8072C
Датчик движения на LP8072C
Датчик движения. Силовая плата
Принцип работы и признаки поломки модуля управления
Чем обильнее функционал стиралки, тем сложнее устроена электронная плата. Эта деталь отвечает за работу всех узлов, расположенных в корпусе машинки. Отдельные симисторы с помощью проводки отправляют сигналы для начала работы таким узлам:
- нагревателю (ТЭНу);
- термистору;
- насосу;
- УБЛ (устройству блокировки люка);
- электромагнитному клапану;
- датчику Холла;
- электродвигателю;
- реле уровня.

Как видите, вся работа техники зависит от исправности платы. Любая поломка, которая случается в течение эксплуатации, может быть связана либо с конкретной деталью, либо с электросхемой. Точно определить, нужно ли проводить ремонт «мозгов» стиральных машин, может только диагностика. Предположить неисправность можно по косвенным признакам:
- Экран СМА выдает код ошибки либо мигают индикаторы. Расшифровка указывает на блок управления стиралки.
- В машине не активируются установленные программы.
- Техника не включается.
- Вода постоянно заливается и сливается.
- Нерегулированные обороты двигателя.
- Вода перегревается либо остается холодной.
Все эти признаки неоднозначны. Поэтому тестировать приходится как сам узел, так и электронику. Чаще всего модуль ломается по таким причинам:
- Заводской брак (редкий случай). Проявляется довольно быстро, поэтому проблема решается гарантийным ремонтом или заменой.
- Скачки напряжения в сети. Приводят к перегоранию дорожек и отдельных частей.
- Влага. Контакты с влагой заканчиваются окислением поверхности платы.
- Резкое отключение питания СМ во время работы. Также приводит к перепаду напряжения.
Как проверить и отремонтировать плату управления стиральной машины?
Самостоятельно причину неисправности определить сложно. Почему же пользователи не спешат обратиться в мастерскую? Их логика понятна. Есть несколько факторов, которые влияют на выбор самостоятельного осмотра:
- Снять и отнести блок в ремонт — еще полдела. Диагностику бесплатно никто проводить не будет. А если окажется, что с деталью все в порядке? Выходит, деньги потрачены зря.
- Боязнь попасть к непрофессионалу. Деньги за проверку он возьмет, а вот исключить вероятность его халтуры вы не сможете. В итоге поломка есть, а решения — нет.
Что же делать? Если вы хотите самостоятельно проверить «мозги» для СМА, мы подскажем как.
Визуальный осмотр. Для этого нужно снять деталь и осмотреть ее на момент подгаров, повреждений, окислений. Как снять плату стиральной машины:
- Отключите стиралку от сети.
- Перекройте подачу воды.
- Снимите верхнюю крышку, открутив саморезы сзади.
- Вытащите дозатор для порошка, прижав центральную защелку.
- Открутите винты по периметру панели управления. Приподнимите вверх и снимите.
- Сфотографируйте разъемы и проводку. Отключите фишки.

Отстегните защелку, уберите крышку блока.
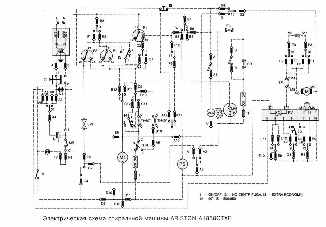
Сгореть может что угодно: резисторы, тиристоры, резонатор, реле или процессор. Точно определить поломку поможет мультиметр. Вам пригодится схема платы управления СМА:

Конденсаторы. Они служат в качестве стабилизирующих устройств при перепаде напряжения. Внешнее вздутие элемента уже указывает на поломку. Приложите к нему щуп мультиметра.
- Тестер запищал или показывает 0 на дисплее — случилось короткое замыкание (КЗ).
- На экране показался 1 — обрыв.

При неисправности проводится замена на исправную деталь. Закрепляется она с помощью паяльника и припоя к положительному электроду.
Резистор. Элементы делятся на первый и второй порядок. Сначала тестируются резисторы первого порядка. Их сопротивление в исправном состоянии — 8 Ом. Второго порядка — 10 Ом. Сломанные изделия подлежат замене.

Варистор служит для поглощения всплесков напряжения в сети. Его подгоревшая поверхность указывает на неполадку. Деталь можно снять с платы, она будет нормально работать. Но при скачке гореть будут другие составляющие. Проверка мультиметром на максимальном сопротивлении:
- Приложите щуп к варистору.
- В этом случае значения гораздо выше, чем может показать тестер (1).

Смотрите видео по теме:
Далее проводится последовательная диагностика всех составляющих. Пример показан на фото:

Ремонт блока управления своими руками — задача, невыполнимая для начинающего мастера. Поэтому рекомендуем обратиться в проверенный сервисный центр, желательно специализирующийся на ремонте именно вашей марки СМА. Там вам дадут гарантию на проведенные работы. Удачи!
Проверка работоспособности магнитолы вне автомобиля
Гораздо удобнее диагностировать и ремонтировать автомагнитолу, сняв ее с машины, и подключив к отдельному источнику питания и акустической системе (если она, конечно же, включается). Сделать это не так уж и сложно. Понадобится всего лишь блок питания с выходным напряжением 11,5-15 В и мощностью не меньшей, чем указано на корпусе магнитолы. Также для контрольного воспроизведения аудиосигнала потребуются динамики или обычные бытовые колонки (можно обойтись одной штукой).

Для начала надо правильно подключить питание к автомагнитоле. Для этого в ней предусмотрено три провода:
- Минус. Он же «земля», «GND» или «GROUND». Стандартный цвет – черный.
- Дежурный плюс. Он же «BAT» или «BATTERY». По стандарту – красного цвета.
- Управляющий плюс. Он же «ACC». Как правило, желтого цвета.
Чтобы подключить магнитолу с такими выводами к блоку питания, необходимо первый провод из списка подсоединить к минусу, а второй соединить с третьим, и подключить к плюсу. Для включения магнитолы вне машины необязательно использовать блок питания. Подойдет и аккумуляторная батарея, которая хорошо держит заряд и нагрузку.

Питание есть. Теперь необходимо как-то проверять выходные сигналы по четырем каналам. Для этих целей подойдет заведомо исправный автомобильный динамик, который временно можно снять с машины. Подключая его поочередно к сигнальным проводам, можно будет проверять работу магнитолы.
Вступление
Кому интересна именно настройка, сразу переходите к следующему разделу.
Эта история началась с появления в свободной продаже первых умных выключателей без нуля в круглый подрозетник. Они были на прошивке eWeLink и Tuya.
В то же время для платформы eWeLink вышла новая прошивка, добавляющая поддержку локального протокола. И эти выключатели выпускались уже с новой прошивкой.
Многие выключатели включались от датчиков движения, так что сам выключатель использовался для более быстрого выключения света (чтоб не ждать окончания таймера «без движения») и в качестве резервного канала на случай отказа умного дома.
Резервный канал — очень важный момент. Я никогда не ставлю свет, которым нельзя управлять физическими кнопками при выключенном сервере умного дома.
Через некоторое время я понял, что во многих помещениях мне не хватает управления яркостью, и начал искать диммер мечты.
Выбор диммеров без нуля очень маленький, я так и не решился что-нибудь заказать. А для диммеров с нулём нужно придумывать грамотное управление без зависимости от сервера умного дома.
Пока я возился с поиском диммера, на рынок вышел Xiaomi Gateway 3. Без локального API, но с полным доступом к системе без необходимости пайки (на тот момент). К нему я тоже написал отдельный компонент для Home Assistant.
Помимо Zigbee и BLE устройств этот гейт поддерживает лампы Bluetooth Mesh. Они не очень популярны в сообществе умного дома, потому что никто не умеет ими управлять из альтернативных систем. Но Gateway 3 всё изменил.
Самым важным для меня оказалось, что новые Mesh-лампы поддерживают функцию Flex Switch. Фирма Yeelight называет её SLISAON: Smart Light IS Always ON, или «умный свет всегда включен».
Эта функция позволяет управлять умной лампочкой с помощью обычного глупого настенного выключателя без электроники. Без необходимости переделывать проводку или вести к выключателю ноль.
Идея в том, что при кратковременном обрыве питания умная лампочка меняет своё состояние. Включается, если была выключена, или выключается, если была включена. Таким образом умная лампочка остаётся всегда под напряжением и ей можно управлять как из умного дома, так и выключателем на стене.
Конечно, выключатели лучше переделать в возвратные. Yeelight даже начала продавать свои фирменные глупые возвратные выключатели.
Но! Когда у вас уже стоят умные выключатели, как у меня, их можно переделать в возвратные через автоматизацию умного дома. Нужно лишь настроить, чтоб выключатель сразу же включался после выключения. В этом случае умная лампочка будет всегда под напряжением, ей можно будет управлять с физического выключателя, плюс выключатели необязательно сразу переделывать на новые.
Ещё важный момент: Mesh-лампы поддерживают группы, благодаря чему могут включаться одновременно. Кстати, в приложении Mi Home при включении Mesh-групп вы теряете возможность управлять лампами индивидуально. В компоненте Home Assistant этой проблемы нет.
В моих тестовых моделях ламп была настройка питания после пропадания электричества
Тоже важно, чтоб среди ночи не получить пару ласковых от домашних (бывали случаи)
А ещё цены на некоторые модели были в два-три раза дешевле Zigbee-ламп, а сами лампы были в два раза «умнее» Zigbee-моделей. Такой умный дом меня устраивал.
В отличие от умных диммеров, умные лампы позволяют менять не только яркость света, но и температуру. Я заказал много ламп с такими характеристиками: Xiaomi Mesh E27 (MJDP09YL) / Mesh 5.0 / 5W 2700K-6500K 500lm — и стал изучать, как можно грамотно использовать возможность настройки цветовой температуры.
Важный момент. При ремонте с нуля я бы принимал совсем другие решения. Возможно, отказался бы полностью от проводных выключателей (но это не точно). Но ремонт уже был, люстры менять не хотелось, долбить квадратные подрозетники или тянуть к ним ноль — тоже.
Цены на ремонт ЭБУ АКПП
Стоимость за ремонт блока управления в АКПП может быть разной. Все зависит от того, какие комплектующие вышли из строя. Самым дешевым, конечно, будет перепайка контактов или замена провода.

- полная диагностика аппарата стоит от 1500 рублей. В это же время механики удаляют все ошибки, которые мешают автомату работать;
- расширенная диагностика будет стоить от 2000 рублей. Во время проведения процедуры будет вскрыт модуль управления. Делается в том случае, если обычное тестирование не дало ожидаемых результатов;
- замена датчиков, проводов и других комплектующих. Тут цена зависит от стоимости деталей и работы, которую проведет опытный механик.
Поэтому бывает проще не делать ремонт блока управления АКПП, а заменить его на новый или бывший в употреблении.
Делаем ремонт своими руками
Далее, приступаем к инструкциям по устранению неполадок. Придерживайтесь наших алгоритмов, и, возможно, ехать к специалистам не придется.
Сначала, рассмотрим, почему камера заднего вида не включается автоматически. То есть, еще вчера прибор нормально работал, а сегодня экран перестал показывать.
- Скорее всего гаджет перестал получать питание от источника. Как правило, его подключают к фонарю заднего хода. Как только на АКПП включают заднюю передачу, возникает напряжение, загораются лампы, начинает автоматически работать камера. Если фонари перегорели, может случиться сбой и с камерой. Чтобы исключить такую зависимость, оптическое устройство подключают к фонарям заднего хода через реле с постоянным током от прикуривателя.
- Другой вариант – могли отойти контакты и прибор отсоединился от датчика коробки передач. Необходимо проверить регуляторы, восстановить контакты, а иногда даже заменить датчик. И да, не забудьте сначала проверить напряжение при помощи мультиметра – оно должно составлять 12 Вольт.
Если камера заднего вида не работает, пишет «нет сигнала», причина может заключаться в помехах, создаваемых другой электроникой в салоне. Старайтесь не включать одновременно с нашим прибором другие устройства, которые работают в частотном диапазоне 2,2-2,5 ГГц (беспроводные сети);
Если камера заднего вида работает, но глючит при передаче изображения на монитор, решение будет зависеть от типа неполадки:
- Засвеченная картинка. В объектив попадают солнечные лучи, поэтому изображение слишком светлое. Данный фактор, как вы понимаете, исправить нельзя. Разве что, поискать другую локацию для парковки;
- Мутное или запотевшее изображение. Если камера перестала показывать четко, значит внутрь окуляра попала грязь, пыль или влага. Гаджет аккуратно демонтируют, разбирают и очищают (просушивают). Используют мягкие тряпочки, щеточки, ватные диски. А на будущее стоит задуматься о покупке защиты от грязи и воды для камеры;
- Зеркальная или перевернутая передача. Возможно, гаджет изначально был неправильно установлен (вверх ногами) или настроен. Сначала, попробуйте подкорректировать настройки в аудиосистеме автомобиля. Чтобы отключить зеркальность, нужно деактивировать опцию MIR, чтобы изменить ориентацию картинки, регулируют опцию FLP. Иногда решить проблему помогает физический разворот глазка на 180 градусов.
- Камера показывает с задержкой, мигает или сильно мерцает. Чаще всего причиной является некорректный монтаж. Неплотная фиксация приводит к вибрации прибора при работающем двигателе. В результате, изображение рябит. Проверьте надежность крепления устройства к авто. Другое объяснение – повреждение целостности кабелей или плохая изоляция контактов. Придется выполнить демонтаж и полную проверку электронных комплектующих прибора.
При включении камеры заднего вида на регистраторе возникает черный, белый или синий экран. Это самый неприятный случай, причиной которого, скорее всего, является программный сбой. Гаджету нужна новая прошивка (программный софт). Решение данной проблемы желательно доверить мастерам сервисного центра;
- Камера заднего вида сломалась из-за механического воздействия. Допустим, вы ее уронили, стукнули, задели. Увы, ремонт ее комплектующих, скорее всего, обойдется дороже нового устройства.
- Камера заднего вида на зеркале перестала работать нормально (любые проявления, которых раньше не было) – моргает, отключается на морозе, не включается или включается через раз и т.д. Виновником проблемы может быть плохое качество сигнала. Устройство придется демонтировать, аккуратно разобрать, прочистить контакты, удалить с микросхемы пыль, зачистить окисленные участки, перепаять поврежденные элементы платы (если они определяются визуально) и т.д.
Настройка парковочных линий
Далее, давайте разберем, как настроить парковочные линии на камере заднего вида.
Настройка зависит от типа оптического устройства. В самом простом случае разметка не подлежит регулировке, ее нужно лишь единожды откалибровать (вычислить соответствие реальным дистанциям). Делается это вручную.
- Поставьте автомобиль прямо перед препятствием (например, перед бордюром), бампер должен быть строго ему параллелен;
- Подгоните машину задом так, чтобы самая дальняя парковочная линия на мониторе совпала с препятствием (зеленая);
- Теперь выйдите из авто и замерьте расстояние от бампера до бордюра. Теперь вы знаете, какую дистанцию отмеряет зеленая линия;
- Аналогично вычислите расстояния до других полос;
- Запомните полученные цифры. Теперь, во время парковки вы будете точно знать, сколько см отделяет ваш бампер от стены или забора.

Далее,рассмотрим, как настроить разметку на камере заднего вида через автомагнитолу (на экран которой выводится картинка). Делается это через Меню настроек штатной аудиосистемы. Алгоритм действий может различаться, в зависимости от марки автомобиля или типа головного устройства. Приведем наиболее распространенный:
- Найдите прямую деревянную палку (типа черенка от лопаты) и уложите его параллельно бамперу, на расстояние 1 м до камеры заднего вида. Середина бруса должна находиться строго напротив глазка камеры;
- Далее, найдите в Меню автомагнитолы раздел, посвященный настройкам парковочного софта;
- Включите прибор, дождитесь появления на мониторе изображения с брусом;
- Выкрутите руль до упора вправо, затем влево (для активации настройки динамических парковочных линий);
- Найдите клавишу, нажатие которой выделит брусок на мониторе в рамку;
- С помощью клавиш со стрелками отрегулируйте симметричное положение бруса в прямоугольнике;
- Сохраните настройку.
![]()
Некоторые модели магнитол требуют укладки двух калибровочных объектов на расстоянии 1 м и 2 м. Также есть устройства, с которыми следует использовать специальный трафарет из комплекта. Если вам нужно выполнить настройку парковочных линий камеры заднего вида на китайской автомагнитоле с Android, рекомендуем найти в сети инструкции конкретно для вашей модели (там все может быть ооочень уникально).
Проверка состояния триггера
Триггер в стиральных машинках из строя выходит редко. Причины поломки чаще всего связаны со сбоями в работе конденсатора
Чтобы проверить работоспособность триггера, важно протестировать напряжение на выходных контактах. Указанный параметр должен находиться в пределах 12 В.
У многих моделей рядом с триггером установлен фильтр. Показатель сопротивления на нем в среднем составляет 20 Ом.
Замена триггера на блоке управления занимает довольно много времени
В первую очередь важно заняться пайкой выходных контактов. При этом необходимо не задеть катод конденсатора
После пайки можно устанавливать новый триггер. Последним шагом тестируется пороговое напряжение, и проверятся выходное сопротивление на модуляторе.
Диагностика электронного блока управления
Диагностика ЭБУ АКПП начинается с прозвона проводов. Если они в целости и сохранности, то можно переходить на электронный анализ проблем «мозга» автомата.

Электронная диагностика заключается в подключения ноутбука с установленным специальным программным обеспечением. На экране монитора мы можем наблюдать все ошибки, которые когда-либо выявлял на АКПП и которые были устранены. Эти ошибки нужно обнулить.
Бывает так, что некоторые проблемы в узлах гидроблока, например, связанных с заменой с соленоидов, невозможно обнулить на компьютере. А машина падает в аварийный режим и не желает двигаться. Причину нужно искать в замыкании между вилками соленоида. Удаляя ее, мы устраняем проблему обездвиживания авто и выпадения коробки в «аварийку».
Существует еще один тип диагностики – это расширенная. Ее используют, когда обычное тестирование с помощью компьютера не помогает найти ошибку. В этом случае ЭБУ разбирается и просматривается визуально. Так как повреждение одной дорожки, если она перегорела или окислилась, компьютер не сможет вычислить.
И третий тип, когда заменяют поочередной электронные чипы, чтобы найти тот, который не работает. Но к этому методу прибегают редко. Проще купить новый блок управления и установить.
Я вам скажу, что окисление контактов датчиков и обрыв проводов встречается намного чаще, чем поломка внутри электронного блока. Поэтому прежде чем ехать на СТО проверьте ЭБУ на обрыв проводов. Если с этими элементами все нормально, то можете отправлять авто на СТО.
Принцип и особенности работы
Модуль управления, по своей сути, это электронная плата. В зависимости от поступающих сигналов от датчиков, данная плата активирует ту или иную функцию. При этом эта деталь является универсальной. Одна и та же модель модуля управления может использоваться на агрегатах от разных производителей. Однако прошивка центрального процессора платы и количество входных/выходных сигналов отличается в зависимости от года выпуска определенной модели стиралки.
Основными задачами модуля управления выступают:
- контроль за температурным режимом;
- управление работой электрического силового агрегата;
- установка программы цикла стирки;
- контроль за работой автоматической блокировки;
- обеспечение контроля за уровнем входного давления воды;
- контроль за корректным функционированием сливных насосов.

Тонкости сборки и монтажа селектора
Особое внимание во время разборки контактной группы следует уделить смазке. От нее зависит плавность переключения и износ контактной пары
Потемнение и наличие вкраплений являются поводом для ее замены.

Родная смазка в процессе эксплуатации становится похожа на клей. Для ее устранения следует воспользоваться бензином, керосином, WD-40 либо растворителем. Счищать необходимо при помощи кисточки, не прибегая к чрезмерному давлению, способному погнуть контактные шины.
При проведении сборочных и монтажных работ рекомендуется следить за состоянием шляпок и резьбы крепежных болтов. При их повреждении желательно произвести замену на новые. Если этого не сделать, то разбирать узел в следующий раз будет затруднительно.
Полная замена модуля
Как правило, замена модуля много времени не отнимает. В первую очередь для этого следует снять переднюю крышку у стиральной машины. Далее, делая ремонт своими руками, специалисты рекомендуют ознакомиться с крепежным устройством платы. В основном элемент фиксируется на пластинах, которые подсоединены к корпусу стиральной машины. У многих моделей они зажимаются на винтах. Чтобы снять пластины, придется воспользоваться ключом. Следующим шагом стоит аккуратно извлечь модуль, и проверить его состояние. Перед установкой нового элемента на блок необходимо точно знать маркировку детали
Винты важно прикручивать медленно, и без сильного нажима на ключ
Типы электронных блоков управления
ЭБУ АКПП бывают двух видов.

- внешние;
- внутренние.
У внешнего и внутреннего электронного блока управления АКПП есть свои преимущества и недостатки. О них вы узнаете из таблицы.
| Отдельный ЭБУ | Совмещенный модуль с ЭБУ двигателя | |
| Преимущества | Низкая цена, располагаться может как отдельно, так и внутри АКПП | Оптимизированное устройство, так как учитывается большинство внешних факторов, которые влияют на совместную работу мотора и автомата |
| Недостатки | Не имеет, разве что кроме большого количество проводов, идущих от датчиков автомата до него, если располагается вне коробки передач | Общий процессор, который отвечает за команды двигателю и АКПП быстрее выходит из строя |
Признаки неисправностей
Понять, что с платой что-то не так, можно по следующим признакам.
- Стиральная машинка не отжимает вещи, наряду с этим зависает панель управления, и она совершенно не откликается на действия пользователя, код ошибки не отображается на дисплее.
- Все светодиоды на панели управления по очереди и все вместе моргают, в то же самое время привести в действие какую-нибудь программу стирки невозможно.
- Программа удаления загрязнений устанавливается и запускается, в то же время вода или не набирается в бак, или осуществляется сразу же самостоятельный слив воды, к тому же после этого машина «зависает», и выручает исключительно повторная загрузка. Наряду с этим, после вторичного пуска стирка может производиться в обычном режиме.
- Машина при какой угодно программе стирки работает 3-4 часа кряду не останавливаясь, не переходя на полоскание и отжим. Сливной насос не делает усилий откачать воду из бака. По истечении продолжительного периода агрегат останавливается.
- После подключения при попытке настроить программу удаления загрязнений машина виснет и выключается.
- Программа удаления загрязнений устанавливается, на дисплее отображается процесс стирки, только на практике ничего не осуществляется, вода не набирается в бак, барабан не вращается – ничего не происходит.
- Электродвигатель произвольно часто изменяет скорость движения барабана несмотря на то, что перемена скорости не предопределена программой. Барабан по очереди и довольно продолжительно крутится то в одном направлении, то в другом.
- Термоэлектрический нагреватель стиральной машинки то чрезмерно греет воду, то оставляет ее холодной, пренебрегая показаниями температурного датчика.
Причины выхода из строя ЭБУ автоматической коробки передач
Причиной выхода из строя ЭБУ автоматической коробки передач может послужить любой скачок напряжения. В этом случае автомобиль может встать в аварийный режим, переключение передач будет происходить невпопад или вообще машина остановится и не сдвинется с места.

А также ошибки, которые сломают мозг автомата, могут быть следующими:
- механическое повреждение;
- вибрация при неисправности одной из систем транспортного средства, например, торможения;
- стандартный перегрев, особенно в летнее время;
- обрыв проводов, окисление контактов;
- перепрошивка ЭБУ руками человека, который не имеет представления об этих блоках;
- агрессивная внешняя среда, дожди, повышенная влажность в осенне-весенний период.
При поломке ЭБУ я диагностирую и выявляю проблему. Затем ремонтирую его. Ремонт заключается в перепайке деталей, установке новой, перепрошивке мозгов. Если программное обеспечение показывает, что ЭБУ подлежит только замене, то выкидываю и устанавливаю новый.
Способы устранения поломок
Что касается ремонта, то далеко не всегда его удается осуществить своими руками. Если у вас есть соответствующие знания и навыки, то можно попытаться отремонтировать детектор своими силами.
Как можно восстановить работоспособность устройства:
Для начала нужно точно разобраться в схеме платы. Каждое устройство оснащается собственной платой, включающей в себя множество элементов, отвечающих за работу тех или иных функций. После разборки гаджета очистите плату от пыли и грязи, если нужно. Если девайс плохо принимает сигналы или срабатывает без причины, то нужно разобрать корпус тонкой отверткой и проверить целостность линзы приема сигналов. Возможно, она повреждена, если это так, то линзу придется отпаивать и менять. Также причина плохого сигнала может заключаться и в антенном адаптере, если есть возможность, то его также нужно заменить.
Если устройство не реагирует на подключение к сети, то нужно проверить разъем питания. Попробуйте отпаять его, аккуратно зачистить контакты и припаять заново. Если проблема осталась, то скорей всего, причина кроется в кабеле подключения.
Если вы не можете отрегулировать громкость оповещения сигнала, то опять же, вам потребуется разобрать девайс
При наличии регулирующего колесика нужно будет проверить его целостность, попробуйте заново отсоединить его и подключить.
При отсутствии звуковых оповещений следует уделить внимание и встроенному динамику. Возможно, этот элемент вышел из строя и его также надо перепаять либо заменить на новый
То же самое касается и дисплея.
Бывает такое, что вышел из строя блок обработки сигнала или управления гаджетом, установленный внутр. Проблемы такого рода могут решить только квалифицированные специалисты с соответствующим оборудованием. Поэтому решить такие неисправности желательно в сервисных центрах.
Если в работе девайса происходят сбои, то можно попытаться его перепрошить или обновить программное обеспечение. В некоторых случаях проблемы связаны с устаревшей версией ПО.
Если устройство не может работать в автономном режиме, то в детекторах со съемными АКБ можно поменять батарею своими руками. Если же аккумулятор встроенный, то вам нужно будет выпаять его и запаять новый, заведомо рабочий.


















































